| จำนวน{{focus_pdata.unit}} | ส่วนลดต่อ{{focus_pdata.unit}} | ราคาสุทธิต่อ{{focus_pdata.unit}} |
| {{(typeof focus_pdata.price_list[idx+1] == 'undefined')?('≥ '+price_row.min_quantity):((price_row.min_quantity < (focus_pdata.price_list[idx+1].min_quantity - 1))?(price_row.min_quantity+' - '+(focus_pdata.price_list[idx+1].min_quantity - 1)):price_row.min_quantity)}} | {{number_format(((focus_pdata.price_old === null)?focus_pdata.price:focus_pdata.price_old) - price_row.price,2)}} บาท | {{number_format(price_row.price,2)}} บาท |
| คงเหลือ | ชิ้น |
| จำนวน (ชิ้น) |
- +
|
|
ซื้อเลย หยิบลงตะกร้า ซื้อเลย หยิบลงตะกร้า คุณมีสินค้าชิ้นนี้ในตะกร้า 0 ชิ้น
ช่องทางสั่งซื้ออื่น ๆ
|
|
|
|
|
| คุยกับร้านค้า | |
| {{ size_chart_name }} |
|
| หมวดหมู่ | อะไหล่ชิ้นส่วนอื่นๆ |
| สภาพ | สินค้าใหม่ |
| เพิ่มเติม | |
| สภาพ | สินค้ามือสอง |
| เกรด | |
| สถานะสินค้า | |
| ระยะเวลาจัดเตรียมสินค้า | |
| เข้าร่วมโปรโมชั่น | |
| ข้อมูล |
น้ำหนัก
บาร์โค้ด
ลงสินค้า
อัพเดทล่าสุด
|
| รายละเอียดสินค้า |
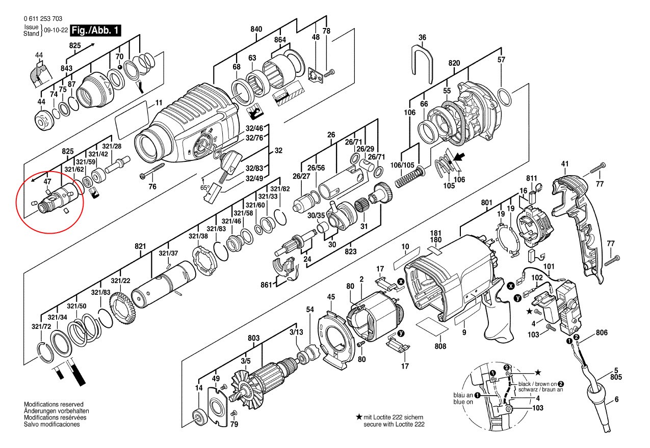
สลักเพลา สว่านโรตารี่ บอช BOSCH รุ่น GBH 2-24, GBH 2-26 DE, DRE อะไหล่ No. 47 (ดูรูป spare part ประกอบ) สลักเพลา สำหรับ สว่าน Rotary BOSCH รุ่น GBH 2-24, 2-26 ยี่ห้อ : BOSCH รุ่น: BOSCH GBH 2-24, 2-26 หมายเหตุ : ราคาต่อชุด(4ชิ้น) ![]() ![]() ![]() ![]() |
| เงื่อนไขอื่นๆ |
|
| Tags |
ทรงธรรมการไฟฟ้า
